產品展示
3/2C-AH礦山用渣漿泵
廣范應用于冶金、礦山、煤碳、化工、電廠、抽沙、環保、市政工程等行業。
產品概述
該產品為懸臂、離心泵。采用臥式、垂直軸向中開式雙泵殼結構,內襯為硬質合金具有良好的耐磨、耐腐蝕性和高可靠性。產品結構合理,運行可靠,壽命長等特點。特別適用于中高濃度,強磨蝕工況。
產品用途
廣范應用于冶金、礦山、煤碳、化工、電廠、抽沙、環保、市政工程等行業。
產品性能參數
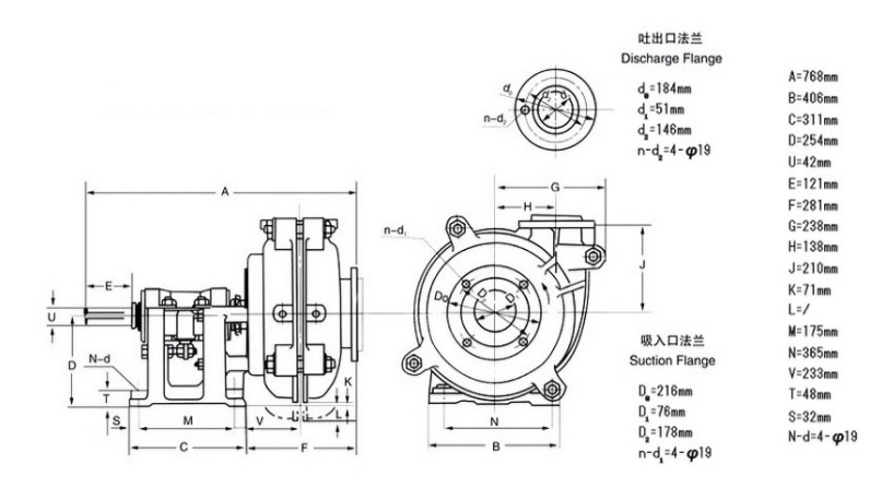
流量:Q=39.6-86.4m³/h
揚程:H=12-64m
轉速:n=1300-2700r/min
最高效率:η=55%
出口直徑:d1=51mm
進口直徑:D1=76mm
葉輪直徑:D=214mm
葉輪片數:N=5
許過粒徑:d=25mm
電機功率:P=4-30kW
汽蝕余量:NPSHr=4-6m
外形尺寸:L×W×H=768×476×464
泵重:Wt.=191kg
產品外形及安裝尺寸圖

產品中心
渣漿泵
脫硫泵
液下渣漿泵
潛水渣漿泵
泥漿泵_抽沙泵
砂礫泵
單殼泵
襯膠渣漿泵
耐腐蝕泵
渣漿泵配件
關注官方公眾號